注塑机、压力机液压系统原理图解析
注塑机、压力机液压系统原理图解析
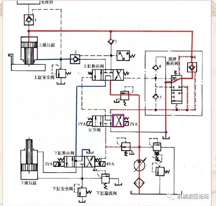
液压系统由基本的回路组成,他表示一个回路的基本工作原理,即系统执行元件所能实现的各种动作。本文讲述阅读液压系统原理图的步骤即需要要注意的事项。最后再举例分析液压设备的液压原理。



































▼更多精彩内容,请长按二维码▼

注塑机、压力机液压系统原理图解析
液压系统由基本的回路组成,他表示一个回路的基本工作原理,即系统执行元件所能实现的各种动作。本文讲述阅读液压系统原理图的步骤即需要要注意的事项。最后再举例分析液压设备的液压原理。



































▼更多精彩内容,请长按二维码▼

相关文章